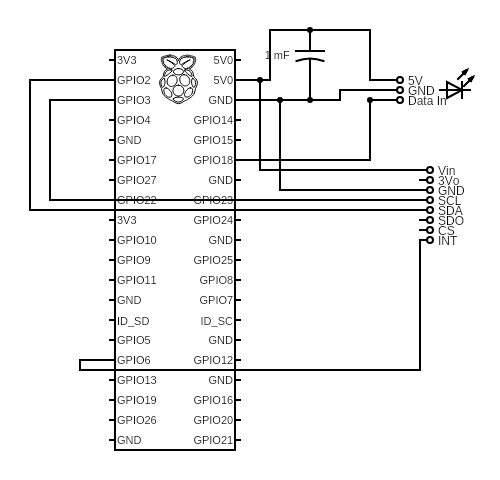
curl https://raw.githubusercontent.com/avenmia/quantum-lamps/master/setup.sh | bash -s ws://quantum-lamps-server secret username latestdocker run -d --restart unless-stopped -p 8080:8080 -e SHARED_SECRET=secret -e PORT=8080 avenmia/quantum-lamps-server:latestRecommended steps before running setup script:
# Change password for user pi
passwd pi
# Update installed packages
apt-get update && apt-get upgrade -y
# Set locale, timezone, keyboard layout, hostname
raspi-config
# reboot
reboot